Již za pár dní, dne 2. března uvede společnost Aerofilms do kin záznam koncertu kapely The Chemical Brothers: Don’t Think, opatřený zvukovou stopou ve formátu Dolby Surround 7.1. Protože formát Dolby Surround 7.1 není ještě zcela domestikován v našich kinech, uvádíme zde překlad článku z magazínu Cinema Technology od editora magazínu Jima Slatera (http://www.cinematechnologymagazine.com) a Nicka Watsona z Dolby Laboratories (http://www.dolby.com).


Díky tomu, že digitální kino (DCP) může najednou přehrát až 16 zvukových kanálů, přidání dvou diskrétních kanálů s sebou nenese problém v distribuci filmů v kinech vybavených tomu odpovídajícím zařízením, stejně jako zůstává zachována možnost reprodukce zvukových stop pro zdravtně postižené spoluobčany (zvuková stopa AD – Audio Description, též známa jako VI-N: Visually Impaired Narration).
Je třeba též poznamenat, že systém Dolby Digital na 35mm filmu zmiňované další surroundové kanály nepodporuje, nicméně stále je možno vytvořit mix ve formátu Dolby Digital Surround EX z originálního Dolby Surround 7.1 mixu. Takový EX mix může být efektivně vyroben sloučením kanálů Bsl a Bsr, do EX kanálu zadního surroundu (Back Surround – Bs).
Co to vše znamená pro produkce a studia?
Pro produkci zvuku ve formátu Dolby Surround 7.1 je třeba zvážit dva důležité faktory.
– pro dosažení správné reprodukce je třeba vytvořit verze v obou zvukových formátech Dolby Surround 7.1 a 5.1 (Dolby Digital EX)
– systém distribuce, který přesně cílí Dolby Surround 7.1 a 5.1 mixy do kin vybavených odpovídajícím zvukovým systémem.
Ve chvíli, kdy je zvuková stopa v systému Dolby Surround 7.1 dokončena, je potřeba vytvořit DCP tak, aby v kinech vybavených odpovídajícím zvukovým systémem bylo možno přehrát správně zvukový mix Dolby Surround 7.1, při zachování možnosti přehrání přídavnách kanálů, jako např. Audio Description pro nevidomé.
Pro zvukový mix ve formátu 5.1 se užívá následující konfigurace kanálů:

V budoucnu, se zavedením SMPTE značení kanálů v DCP budou servery v kinech zkonfigurovány během instalace tak, aby byly schopny správně identifikovat zvukové kanály a nasměrovat jejich výstup odpovídajícím směrem do kinoprocesoru. Nicméne do doby, než toto rozšíření DCI/SMPTE standardu vejde v platnost bude nutno přidávat další zvukové kanály v DCP dle předdefinovaných kanálových tabulek.
Vzhledem k probíhajícím diskusím ve standardizačních komisích je první “volný” kanálový pár v 16-ti kanálovém DCP kanálový pár 11/12. A proto jsou zvukové kanály Bsl a Bsr umístěny na tomto kanálovém páru 11/12. Užitím všech šestnácti zvukových stop najednou se zde otevírá možnost přesunutí kanálů se zvukovou stopou pro pro sluchově postižené (HI) a zrakově postižené (VI-N / AD) na pár 15/16, takže během přechodné fáze (před implementací značení kanálů) je u distribucí, které podporují tuto možost vhodné umísťovat zvukové stopy HI a VI-N na oba kanálové páry: 7/8 i 15/16.

Formát Dolby Surround 7.1 je podporován v kinoprocesoruech CP750 a též CP650 s digitálními vstupy. Naopak není podporován adaptéry DMA8, či DMA8Plus, neb analogové vstupy starších kinoprocesorů pro které jsou tyto adaptéry prmárně určeny, podporují maximálně 5.1 diskrétních kanálů.
V kinoprocesoru CP650 je pro přehrání systému Dolby Surround 7.1 potřeba zvolit digitální vstup (ze serveru) a Surround EX výstup z kinoprocesoru, což vyžaduje instalaci volitelných karet cat. 790, případně cat. 778. Nový formát, (Format 91) byl vytvořen pro reprodukci Dolby Surround 7.1 zvukového mixu a v případě, že tento formát není k disposici v daném kinoprocesoru CP650, bude třeba takový kinoprocesor upgradovat. Poté bude možno nový formát plně automatizovat použitím již existujících metod (seriový port, Ethernet, GPIO).
V kinoprocesoru CP750 je vyrvořen přídavý dekódovací mód pero podporu formátu Dolby Surround 7.1. Tento mód může být aktivován v ovládacím software CP750, z předního panelu kinoprocesoru, nebo automatizací (seriový port, Ethernet).
Upgrade software v kinoprocesoru ovšem nevyžaduje další ekvalizaci v kinech, která již byla zapojena na sormát Dolby Surround EX. Nicméně je třeba přepojit AES kabeláž ze serveru do kinoprocesoru dle konfigurace popsané výše a zobrazené níže. Více informací o upgrade kinoprocesorů CP650 a CP750 je presentováno v servisních field bulletinech Dolby.

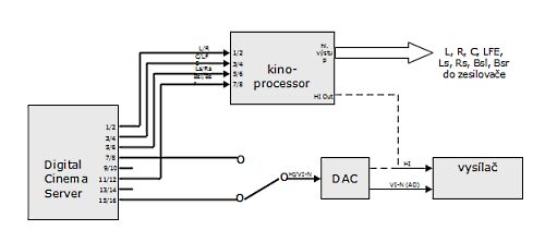
Jak již bylo řečeno, zvuková stopa pro nevidomé (AD) je stále podporována v DCP s Dolby Surround 7.1 zvukovým mixem. Pokud je pro tento účel používán externí převodník (DAC), který předává AD informaci infračervenému vysílači je záhodno, aby kina s tímto systémem byla dovybavena přepínačem, který bude přepínat vstup zmíněného převodníku mezi kanály 7/8 a 15/16.
Je též dobré poznamenat, že digital cinema server musí podporovat playback 16ti zvukových kanálů pro účel přehrávání zvukové stopy v systému Dolby Surround 7.1, což může v některých případech vyžadovat upgrade software, případně i hardware. Všechny digital cinema servery vyráběné v Dolby mají hardware, který je schopen přehrání 16ti zvukových kanálů, pouze je třeba, aby instalovaný systémový software byl ve verzi 4.0.8 a vyšší.


Registrace
Jedna poznámka na okraj. Cen uvedených v onom dokumentu na straně 2 se nelekejte, to jsou ceny za upgrade, který, pokud již Vaše kino hraje ve formátu Dolby Surround 7.1, máte ve Vašem kinoprocesoru proveden.
Filmy v 7.1
http://www.dolby.com/us/en/consumer/content/movie/release/dolby-surround-7-1-movies.html